Page 2 of 2
Re: stinky freezer cleaning tips? REALLY STINKY...
Posted: July 14th, 2012, 12:35 pm
by Rhettley
Looked on the wrong dish washer sticker... mod GSD3200G00WW ser TD781849B It says 2000 on the first sticker I looked at and 12 years is probably about the longest I'd expect one to last. No idea how old the fridge is.
Old fridge/freezer compressor kicked on and is at least making a humming noise right now. I'll put a thermometer in it. Dang that's one big heavy booger to slide by yourself!
Re: stinky freezer cleaning tips? REALLY STINKY...
Posted: July 14th, 2012, 2:59 pm
by Jumptrout51
Make sure the fan at the compressor is running as well as the fan in the freezer.
Re: stinky freezer cleaning tips? REALLY STINKY...
Posted: July 14th, 2012, 3:04 pm
by Jumptrout51

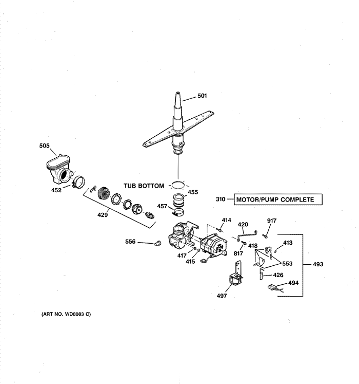
- GE dw.gif (13.93 KiB) Viewed 2381 times
Remove the kick plate on the botom of the DW.
Locate part #497 in the attached diagram.
It is on the left side of the motor facing from the front.
Feel it smell it try to move it.
If it feels burned and melted, or smells burned or the plunger will not move up and down it is fried.
Re: stinky freezer cleaning tips? REALLY STINKY...
Posted: July 14th, 2012, 5:59 pm
by Rhettley
The old freezer is now at 7 degrees and the fridge is at 46 with nothing in them after a couple of hours and having the doors opened several times to check the temps. Hopefully the fridge will drop some more if I leave it alone. They were both pretty packed with food. I threw out 3 trash bags of junk since the ma-in-law wasn't here to complain when I did. Maybe they were just over packed and froze up. Sometimes the tube that puts water in the ice maker freezes. That could have happened again and made other parts ice up.
Re: stinky freezer cleaning tips? REALLY STINKY...
Posted: July 14th, 2012, 6:41 pm
by Jumptrout51
The ice maker did not cause the problem.
The defrost system did.
It will work OK for 7 days and then you will see the failure to cool again.
It can be repaired.
Re: stinky freezer cleaning tips? REALLY STINKY...
Posted: July 15th, 2012, 11:38 am
by Rhettley
When it goes out I'll call you and find out where you are located. I'll get several people and load this big bear of a fridge up and bring it to you for repair. I'll look at the dishwasher in the next couple of days. We had to pretty much wash the dishes before we put them in there as it was so I imagine we'll end up replacing it. We've gotten used to washing dishes the good old way in the sink now. Well everyone except the teen princess... Can't live without an indoor fridge though.
The one I'm cleaning will go back in Mom's house so I can rent the house out once I get all her stuff out of it. I'm gonna have to rip out the carpet to get rid of the cigarette smell and stinky fish smell. There's hardwood underneath anyway which I prefer.
Re: stinky freezer cleaning tips? REALLY STINKY...
Posted: July 15th, 2012, 11:42 am
by Rhettley
Oh and thank you so much for all the help JT! You probably already know anywhere I'd fish already but I'd like to still take you fishing to say thank you. I'll buy the gas, ice, and refreshments.
Re: stinky freezer cleaning tips? REALLY STINKY...
Posted: July 15th, 2012, 12:51 pm
by wevans
Re: stinky freezer cleaning tips? REALLY STINKY...
Posted: July 15th, 2012, 1:36 pm
by Jumptrout51
Kiss off Wevans.
Don't be messin' wit ma trick.
Re: stinky freezer cleaning tips? REALLY STINKY...
Posted: July 15th, 2012, 2:23 pm
by Rhettley
Hmmm. Better just mail me a bill.
